7790.com

股票代码:000603

新闻中心

目今位置:首页 > 新闻中心 > 工业清静

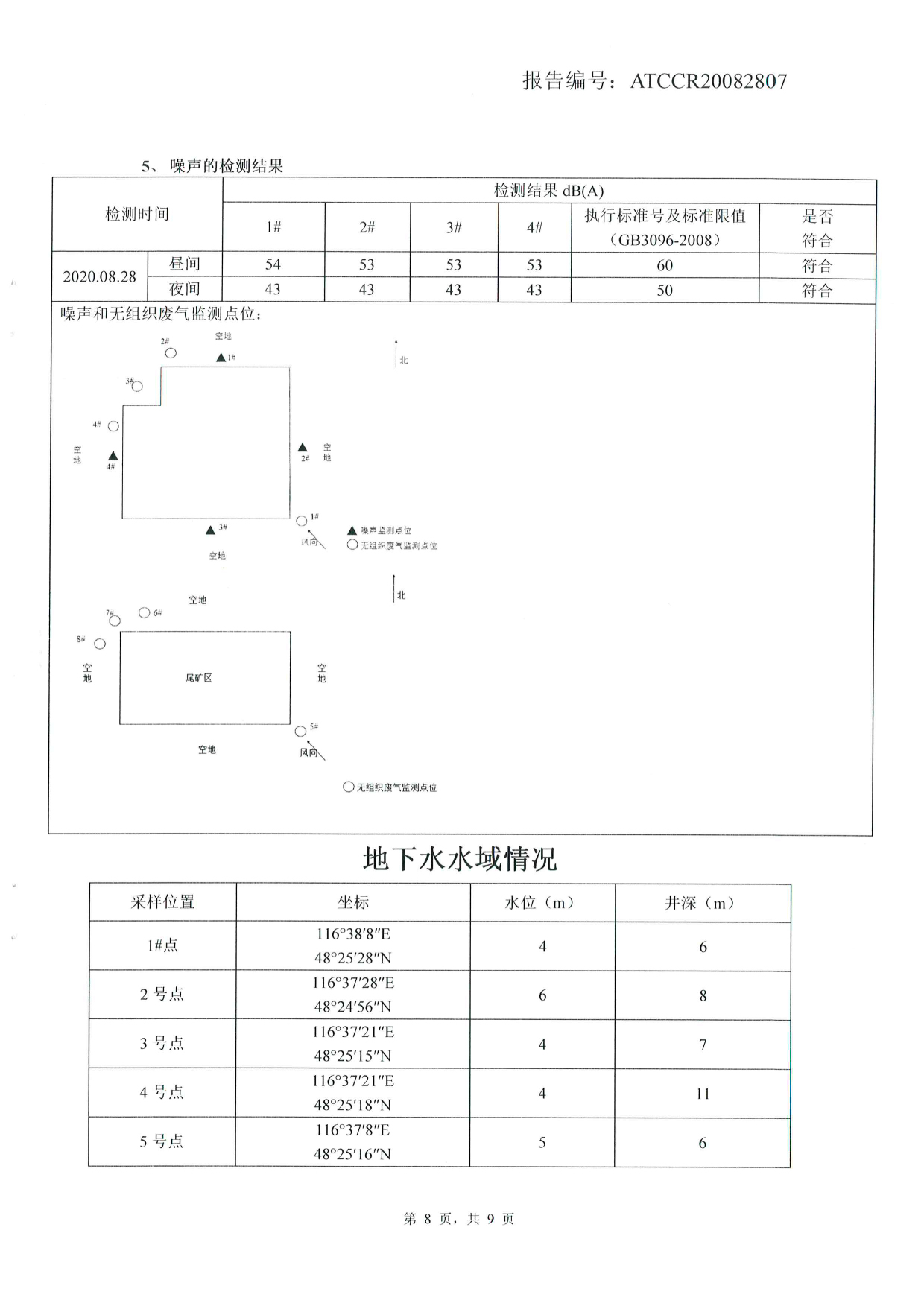
关于内蒙古金山矿业有限公司2020地下水、地表水、噪声、废气监测报告

宣布时间:2020-11-25 09:07 宣布泉源:

中国·必发7790电子集团(股份)有限公司-官方网站

中国·必发7790电子集团(股份)有限公司-官方网站

中国·必发7790电子集团(股份)有限公司-官方网站

中国·必发7790电子集团(股份)有限公司-官方网站

中国·必发7790电子集团(股份)有限公司-官方网站

中国·必发7790电子集团(股份)有限公司-官方网站

中国·必发7790电子集团(股份)有限公司-官方网站

中国·必发7790电子集团(股份)有限公司-官方网站

中国·必发7790电子集团(股份)有限公司-官方网站

中国·必发7790电子集团(股份)有限公司-官方网站

中国·必发7790电子集团(股份)有限公司-官方网站

上一篇:2020年内蒙古金山有限公司矿业土壤检测报告 下一篇:关于内蒙古金山矿业有限公司无组织废气(2020第一季度)
?
【网站地图】【sitemap】